Čtyřhranné komponenty.

Čtyřhranné vzduchotechnické potrubí slouží stejně jako kruhové potrubí k dopravě vzduchu. Výhodou čtyřhranného potrubí je, že se lépe přizpůsobuje rozměrům stavby a snáze se vyrábějí tvarové kusy. Čtyřhranné potrubí vyrábíme z tabulového nebo svitkového ocelového pozinkovaného plechu DX51D MAC s vrstvou zinku 275 g/m2 s potlačovaným květem.

←Zpět

Odbočka oboustranná asymetrická čtyřhranná

Popis

Odbočka oboustranná asymetrická čtyřhranná se používá jako tvarový prvek vzduchotechnického rozvodu. Standardně se vyrábí v níže uvedeném provedení, nadstandardně je možné odbočku oboustrannou asymetrickou čtyřhrannou vyrobit podle konkrétního požadavku.

Standardní provedení

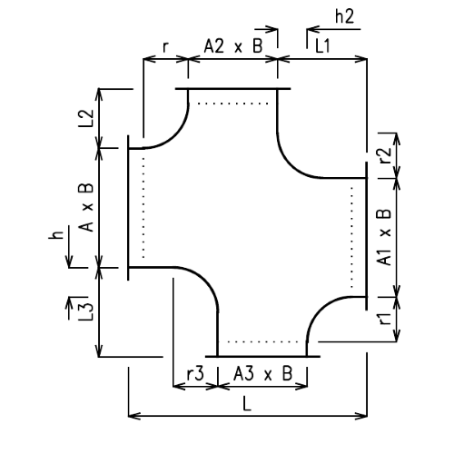
  • Rozměry A x B: A, B ≤ 1600mm*
  • Rozměr A1: ≤ 1600mm*
  • Rozměr A2: ≤ 900mm*
  • Rozměr A3: ≤ 900mm*
  • Odskok h: h ≤ ½ A*
  • Odskok h2: h ≤ ½ A*
  • Délka L: L = A2 + h2 + (r + (P20 / P30 = 30mm)) + (r2 + (P20 / P30 = 30mm))
  • Rádius r, r2, r1 a r3: r, r2, r1 a r3 = 120mm; A ≥ 900mm r, r2, r1, r3 = 270mm
  • Délka L2, L1 a L3: L2, L1, L3 = r, r2, r3 + (P20 / P30 = 30mm)
  • Příruba: P20, A, B ≥ 1001mm P30
  • Volná příruba VP, VP1, VP2, VP3: bez volné příruby
  • Materiál: ocelový pozinkovaný plech
  • Skupina: I
  • Třída těsnosti: A
  • Povrchová úprava: bez povrchové úpravy
  • Náběhové plechy: bez náběhový plechů
  • Otvor: bez otvoru
  • Výztuhy: A > 1300mm
RBOA - schema

* Povinně zadávané parametry

Poptávka RBOA:


Rozměr A (mm): Rozměr B (mm): Rozměr A1 (mm):
Rozměr A2 (mm): Rozměr A3 (mm): Rozměr h (mm):
Rozměr h2 (mm):


Vygenerovaný kód: Množství (ks):