Čtyřhranné komponenty.

Čtyřhranné vzduchotechnické potrubí slouží stejně jako kruhové potrubí k dopravě vzduchu. Výhodou čtyřhranného potrubí je, že se lépe přizpůsobuje rozměrům stavby a snáze se vyrábějí tvarové kusy. Čtyřhranné potrubí vyrábíme z tabulového nebo svitkového ocelového pozinkovaného plechu DX51D MAC s vrstvou zinku 275 g/m2 s potlačovaným květem.

←Zpět

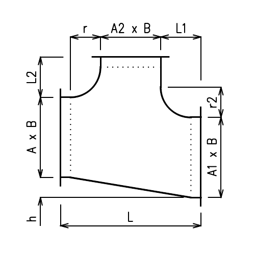
Odbočka jednostranná asymetrická čtyřhranná

Popis

Odbočka jednostranná asymetrická čtyřhranná se používá jako tvarový prvek vzduchotechnického rozvodu. Standardně se vyrábí v níže uvedeném provedení, nadstandardně je možné odbočku jednostrannou asymetrickou čtyřhrannou vyrobit podle konkrétního požadavku.

Standardní provedení

  • Rozměry A x B: A, B ≤ 1600mm*
  • Rozměr A1: ≤ 1600mm*
  • Rozměr A2: ≤ 900mm*
  • Odskok h: h ≤ ½ A*
  • Délka L: L = A2 + (r + (P20 / P30 = 30mm)) + (r2 + (P20 / P30 = 30mm))
  • Rádius r a r2: r, r2 = 120mm; A ≥ 900mm r, r2 = 270mm
  • Délka L2 a L1: L2, L1 = r, r2 + (P20 / P30 = 30mm)
  • Příruba: P20, A, B ≥ 1001mm P30
  • Volná příruba VP, VP1, VP2: bez volné příruby
  • Materiál: ocelový pozinkovaný plech
  • Skupina: I
  • Třída těsnosti: A
  • Povrchová úprava: bez povrchové úpravy
  • Náběhové plechy: bez náběhový plechů
  • Otvor: bez otvoru
  • Výztuhy: A > 1300mm
RBA - schema

* Povinně zadávané parametry

Poptávka RBA:


Rozměr A (mm): Rozměr B (mm): Rozměr A1 (mm):
Rozměr A2 (mm): Rozměr h (mm):


Vygenerovaný kód: Množství (ks):