Čtyřhranné komponenty.

Čtyřhranné vzduchotechnické potrubí slouží stejně jako kruhové potrubí k dopravě vzduchu. Výhodou čtyřhranného potrubí je, že se lépe přizpůsobuje rozměrům stavby a snáze se vyrábějí tvarové kusy. Čtyřhranné potrubí vyrábíme z tabulového nebo svitkového ocelového pozinkovaného plechu DX51D MAC s vrstvou zinku 275 g/m2 s potlačovaným květem.

←Zpět

Nástavec čtyřhranný na kruhové potrubí

Popis

Nástavec čtyřhranný na kruhové potrubí se používá jako tvarový prvek vzduchotechnického rozvodu. Standardně se vyrábí v níže uvedeném provedením, nadstandardně je možné nástavec čtyřhranný na kruhové potrubí vyrobit podle konkrétního požadavku.

Standardní provedení

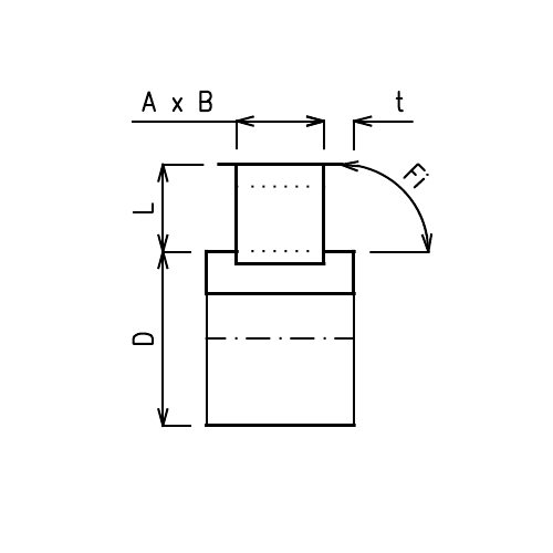
  • Rozměry A x B: A, B ≤ 1000mm*
  • Průměr D: D ≤ 1250mm*
  • Délka L: L ≤ 300mm*
  • Úhel Fi: Fi = 90°
  • Lem t: t = 15mm
  • Příruby: P20
  • Volná příruba VP: bez volné příruby
  • Materiál: ocelový pozinkovaný plech
  • Skupina: I
  • Třída těsnosti: A
  • Povrchová úprava: bez povrchové úpravy
NCK - schema

* Povinně zadávané parametry

Poptávka NCK:


Rozměr A (mm): Rozměr B (mm): Rozměr L (mm):
Úhel Fi (°): Rozměr D (mm):


Vygenerovaný kód: Množství (ks):