Čtyřhranné komponenty.

Čtyřhranné vzduchotechnické potrubí slouží stejně jako kruhové potrubí k dopravě vzduchu. Výhodou čtyřhranného potrubí je, že se lépe přizpůsobuje rozměrům stavby a snáze se vyrábějí tvarové kusy. Čtyřhranné potrubí vyrábíme z tabulového nebo svitkového ocelového pozinkovaného plechu DX51D MAC s vrstvou zinku 275 g/m2 s potlačovaným květem.

←Zpět

Koleno ostré čtyřhranné

Popis

Koleno ostré čtyřhranné se používá jako tvarový prvek vzduchotechnického rozvodu. Standardně se vyrábí v níže uvedeném provedením, nadstandardně je možné koleno ostré čtyřhranné vyrobit podle konkrétního požadavku.

Standardní provedení

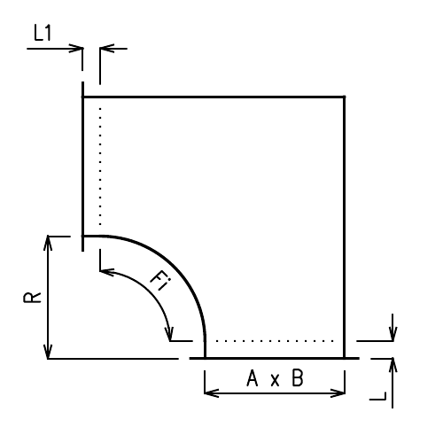
  • Rozměry A x B: A, B ≤ 1600mm*
  • Úhel Fi: Fi = 90°
  • Rádius R: R = 150mm; A ≥ 900mm R = 300mm
  • Prodloužení L a L1: L, L1 = (P20, P30 = 30mm)
  • Příruby: P20, A, B ≥ 1001mm P30
  • Volná příruba VP a VP1: bez volné příruby
  • Materiál: ocelový pozinkovaný plech
  • Skupina: I
  • Třída těsnosti: A
  • Povrchová úprava: bez povrchové úpravy
  • Nástavec na odvod kondenzátu: bez nástavce
  • Náběhové plechy: bez náběhový plechů
  • Otvor: bez otvoru
  • Výztuhy: A > 1300mm
KO - schema

* Povinně zadávané parametry

Poptávka KO:


Rozměr A (mm): Rozměr B (mm): Úhel Fi (°):


Vygenerovaný kód: Množství (ks):